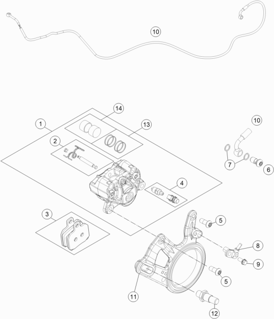
KTM 2022 1290 SUPER DUKE R, BLACK 2022 (EU) - REAR BRAKE CALIPER![]() ![]()
Unfortunately, this item has now been superseded. Please contact us, so that we can help you locate the current part.
Unfortunately, this item is not currently available or has been discontinued. Please contact us, so that we can help you locate an alternative part.
Disclaimer
This website is not maintained by KTM-Sportmotorcycle AG or KTM-Sportmotorcycle UK Ltd.KTM Products and the corresponding article numbers that KTM-Sportmotorcycle AG recommends for a particular application may change from time to time. This website may not have the most current article numbers.
The best way to be sure you have the latest and best KTM Product for your KTM is to contact Trevor Pope directly. The copyrights to the materials displayed on this site belong to KTM-Sportmotorcycle AG. In viewing this website, I agree that I will download and print the information contained therein for my personal use only. By ordering in reliance on the information on this web page, I agree to use the information for my personal use only. In addition, I agree not to hold KTM-Sportmotorcycle AG and/or KTM-Sportmotorcycle UK Ltd, its employees, representatives officers, directors or agents responsible in any way for damage or injury that is caused in whole or in part by my reliance on the information found on the following pages. |
© Copyright Trevor Pope |



